Titanium low finned tube
Using excellent plain tubes made by ourselves
Titanium Low Fin (Integral) tubing is a type of extruded tubing that consists of small low fins. The low fin tube is very similar to the extruded "high fin" types but these tubes have the same diameter as the base tube. Low Fin Enhanced tubes can be used in standard shell and tube baffles and tube sheets. The primary advantage for the low fin tube is providing surface enhancement and better heat transfer over smooth tubing.
During the manufacturing process, fin material is tightly wound around the outside of the tube to secure metals-to-metal contact of the base of the fin with the tube.
Integral Low Fin Tube has the advantage that it can improve the thermal performance of a Heat Exchanger without the necessity for changing shell size, flow arrangement or the repositioning of piping. The external surface of the tube is increased by the formation of “low fins” by direct extrusion from the material of the base tube.
Application
Titanium low finned tubes are mainly used in anti-corrosion environment as titanium has strong performance of anti-corrosion.
FIN TUBE MEETS THE FOLLOWING QUALITY STANDARDS
ASTM B891 Seamless and Welded Titanium and Titanium Alloy Condenser and Heat Exchanger Tubes With Integral Fins
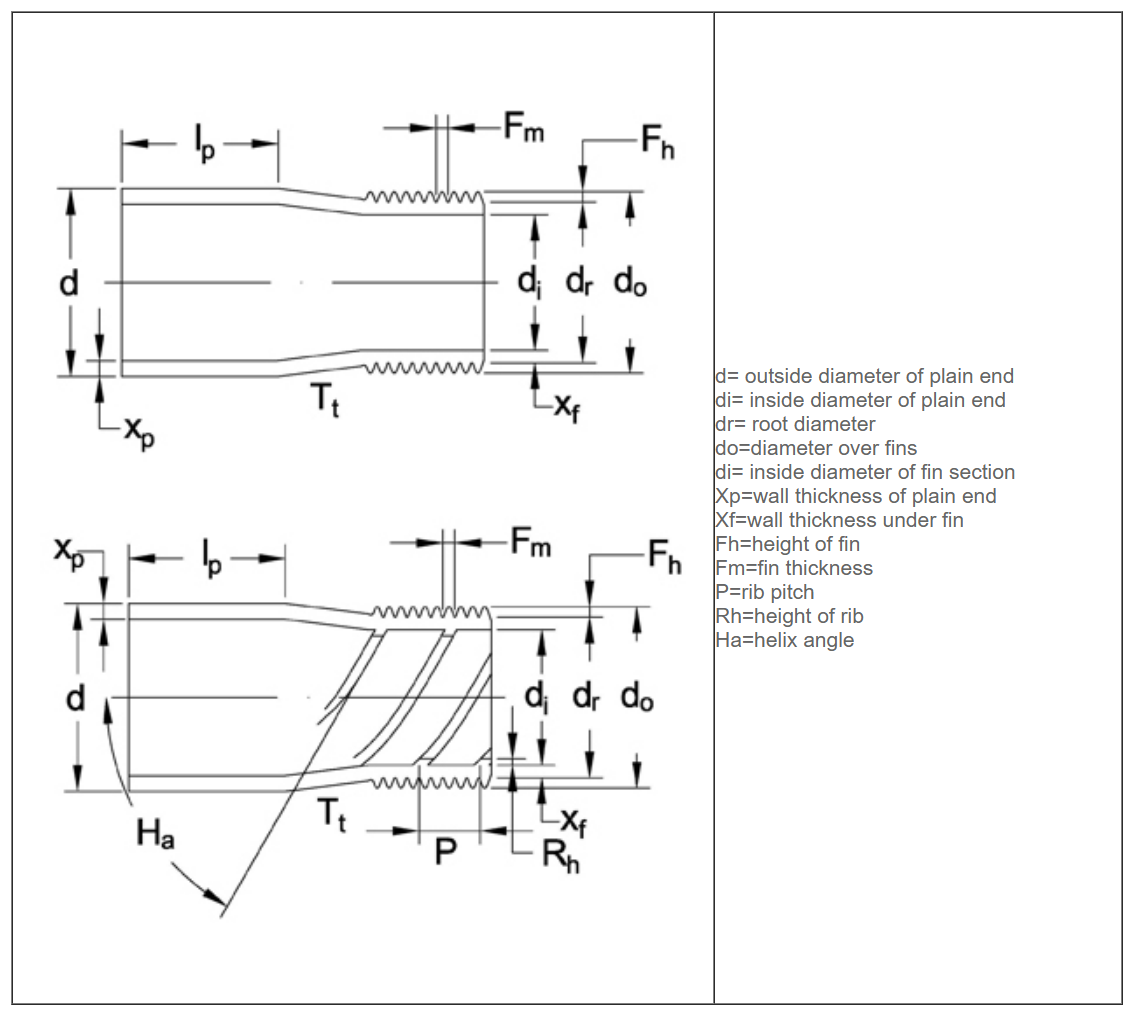
General Dimensions – Low Fin Tube Smooth Bore
28 FPI 0.889mm average fin height 0.305mm average fin thickness | ||||||||||
No. | Plain Section avg. OD | Plain section avg. wall | Wall Under fin avg | Wall Under Fin Min. | Nominal Root OD | Fin Section | Outside Area Ao | Inside Area | Area Ratio Ao/Ai | ID cross Section Area |
153528 | 15.88 | 1.473 | 0.889 | 0.787 | 14.097 | 12.319 | 0.126 | 0.039 | 3.252 | 1.192 |
154228 | 15.88 | 1.651 | 1.067 | 0.940 | 14.097 | 11.963 | 0.126 | 0.037 | 3.358 | 1.124 |
192828 | 19.05 | 1.245 | 0.711 | 0.635 | 17.272 | 15.85- | 0.153 | 0.050 | 3.074 | 1.973 |
193528 | 19.05 | 1.473 | 0.889 | 0.787 | 17.272 | 15.494 | 0.153 | 0.049 | 3.131 | 0.292 |
194228 | 19.05 | 1.651 | 1.067 | 0.940 | 17.272 | 15.138 | 0.153 | 0.048 | 3.212 | 1.800 |
253528 | 25.40 | 1.473 | 0.889 | 0.787 | 24.622 | 21.844 | 0.206 | 0.069 | 3.004 | 3.748 |
253528 | 25.40 | 1.651 | 1.067 | 0.940 | 24.622 | 21.488 | 0.206 | 0.067 | 3.059 | 3.627 |
30 FPI 0.813mm average fin height 0.279mm average fin thickness | ||||||||||
No. | Plain Section avg. OD | Plain section avg. wall | Wall Under Fin avg. | Wall Under Fin Min. | Nominal Root OD | Fin Section | Outside Area Ao | Inside Area | Area Ratio Ao/Ai | ID cross Section Area |
153530 | 15.88 | 1.473 | 0.889 | 0.787 | 14.249 | 12.471 | 0.125 | 0.039 | 3.186 | 1.222 |
154230 | 15.88 | 1.651 | 1.067 | 0.940 | 14.249 | 12.116 | 0.125 | 0.038 | 3.288 | 1.153 |
192830 | 19.05 | 1.245 | 0.711 | 0.635 | 17.424 | 16.002 | 0.152 | 0.050 | 3.030 | 2.011 |
193530 | 19.05 | 1.473 | 0.889 | 0.787 | 17.424 | 15.646 | 0.152 | 0.049 | 3.106 | 1.923 |
194230 | 19.05 | 1.651 | 1.067 | 0.940 | 17.424 | 15.291 | 0.152 | 0.048 | 3.165 | 1.836 |
253530 | 25.40 | 1.473 | 0.889 | 0.787 | 23.774 | 21.996 | 0.205 | 0.069 | 2.956 | 3.800 |
253530 | 25.40 | 1.651 | 1.067 | 0.940 | 23.774 | 21.641 | 0.205 | 0.068 | 3.009 | 3.678 |
36 FPI 0.66mm average fin height 0.305mm average fin thickness | ||||||||||
No. | Plain Section avg. OD | Plain section avg. wall | Wall Under Fin avg. | Wall Under Fin Min. | Nominal Root OD | Fin Section | Outside Area Ao | Inside Area | Area Ratio Ao/Ai | ID cross Section Area |
153536 | 15.88 | 1.473 | 0.889 | 0.787 | 14.554 | 12.776 | 0.125 | 0.040 | 3.114 | 1.282 |
154236 | 15.88 | 1.651 | 1.067 | 0.940 | 14.554 | 12.421 | 0.125 | 0.039 | 3.211 | 1.212 |
192836 | 19.05 | 1.245 | 0.711 | 0.635 | 17.729 | 16.307 | 0.152 | 0.051 | 2.976 | 2.088 |
193536 | 19.05 | 1.473 | 0.889 | 0.787 | 17.729 | 15.951 | 0.152 | 0.050 | 3.049 | 1.998 |
194236 | 19.05 | 1.651 | 1.067 | 0.940 | 17.729 | 15.596 | 0.152 | 0.049 | 3.106 | 1.910 |
253536 | 25.40 | 1.473 | 0.889 | 0.787 | 24.079 | 22.301 | 0.205 | 0.070 | 2.917 | 3.906 |
253536 | 25.40 | 1.651 | 1.067 | 0.940 | 24.079 | 21.946 | 0.205 | 0.069 | 2.969 | 3.783 |
General Dimensions – Low Fin Tube with Internal Rib
28 FPI 0.89 average fin height 0.305mm average fin thickness 0.254 average rib height | ||||||||||
No. | Plain Section avg. OD | Plain section avg. wall | Wall Under Fin avg. | Wall Under Fin Min. | Nominal Root OD | Fin Section | Outside Area Ao | Inside Area | Area Ratio Ao/Ai | ID cross Section Area |
192828-201046 | 19.05 | 1.245 | 0.711 | 0.635 | 17.272 | 15.850 | 0.153 | 0.059 | 2.569 | 1.961 |
193528-201046 | 19.05 | 1.473 | 0.889 | 0.787 | 17.272 | 15.494 | 0.153 | 0.058 | 2.623 | 1.871 |
36 FPI 0.66 average fin height 0.305mm average fin thickness 0.254 average rib height | ||||||||||
No. | Plain Section avg. OD | Plain section wall | Wall Under Fin avg. | Wall Under Fin Min. | Nominal Root OD | Fin Section | Outside Area Ao | Inside Area | Area Ratio Ao/Ai | ID cross Section Area |
192536-201046 | 19.05 | 1.245avg. | 0.635 | 0.559 | 17.729 | 16.459 | 0.152 | 0.062 | 2.463 | 2.116 |
192836-201046 | 19.05 | 1.245 min | 0.711 | 0.635 | 17.729 | 16.307 | 0.152 | 0.061 | 2.488 | 2.007 |








